This product can no longer be ordered. Please contact our sales support with the form. Thank you
Specifications
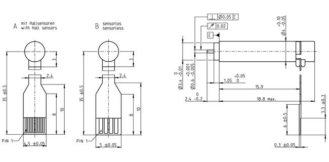
Technical illustrations
- Dimension drawing
Information: Drawings are not to scale.
| Values at nominal voltage | |
| Nominal voltage | 3 V |
| No load speed | 35200 rpm |
| No load current | 28.8 mA |
| Nominal speed | 11700 rpm |
| Nominal torque (max. continuous torque) | 0.225 mNm |
| Nominal current (max. continuous current) | 0.317 A |
| Stall torque | 0.355 mNm |
| Stall current | 0.465 A |
| Max. efficiency | 58 % |
| Characteristics | |
| Terminal resistance | 6.45 Ω |
| Terminal inductance | 0.000075 mH |
| Torque constant | 0.763 mNm/A |
| Speed constant | 12500 rpm/V |
| Speed / torque gradient | 106000 rpm/mNm |
| Mechanical time constant | 1.23 ms |
| Rotor inertia | 0.00111 gcm² |
| Thermal data | |
| Thermal resistance housing-ambient | 96.7 K/W |
| Thermal resistance winding-housing | 15.2 K/W |
| Thermal time constant winding | 0.738 s |
| Thermal time constant motor | 58.5 s |
| Ambient temperature | -20...+80 °C |
| Max. winding temperature | +125 °C |
| Mechanical data | |
| Bearing type | ball bearings |
| Max. speed | 50000 rpm |
| Axial play | 0.06 - 0.06 mm |
| Max. axial load (dynamic) | 0.1 N |
| Max. force for press fits (static) | 10 N |
| (static, shaft supported) | 10 N |
| Max. radial load | 0.2 N, 2 mm from flange |
| Other specifications | |
| Number of pole pairs | 1 |
| Number of phases | 3 |
| Number of autoclave cycles | 0 |
| Product | |
| Weight | 1 g |
Description
The brushless EC motors with an ironless winding have an extremely large speed range, high power, excellent control characteristics and of course unrivaled durability.The EC 4 is available in 2 lengths, either with Hall sensors or sensorless. Combine with planetary gearhead GP 4C for high torques. Order your EC drive online now.
