This product can no longer be ordered. Please contact our sales support with the form. Thank you
Specifications
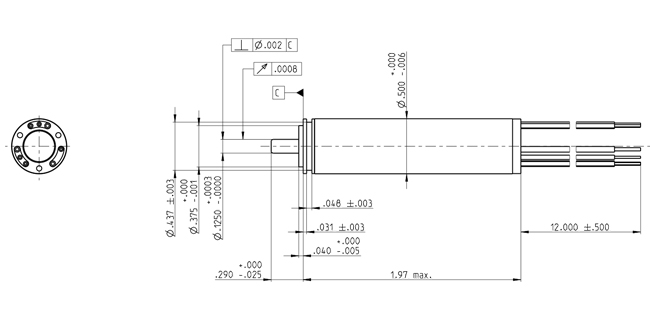
Technical illustrations
- Dimension drawing
Information: Drawings are not to scale.
| Values at nominal voltage | |
| Nominal voltage | 48 V |
| No load speed | 73500 rpm |
| No load current | 67.6 mA |
| Nominal speed | 69400 rpm |
| Nominal torque (max. continuous torque) | 7.17 mNm |
| Nominal current (max. continuous current) | 1.21 A |
| Stall torque | 152 mNm |
| Stall current | 24.5 A |
| Max. efficiency | 90 % |
| Characteristics | |
| Terminal resistance | 1.96 Ω |
| Terminal inductance | 0.104 mH |
| Torque constant | 6.22 mNm/A |
| Speed constant | 1540 rpm/V |
| Speed / torque gradient | 484 rpm/mNm |
| Mechanical time constant | 1.83 ms |
| Rotor inertia | 0.36 gcm² |
| Thermal data | |
| Thermal resistance housing-ambient | 19.2 K/W |
| Thermal resistance winding-housing | 2.44 K/W |
| Thermal time constant winding | 2.68 s |
| Thermal time constant motor | 422 s |
| Ambient temperature | -40...+135 °C |
| Max. winding temperature | +155 °C |
| Mechanical data | |
| Bearing type | ball bearings |
| Max. speed | 90000 rpm |
| Axial play | 0 mm, at radial load < 7 N |
| 0.85 mm, at radial load > 7 N | |
| Max. axial load (dynamic) | 6 N |
| Max. force for press fits (static) | 7 N |
| (static, shaft supported) | 0 N |
| Max. radial load | 4 N, 5 mm from flange |
| Other specifications | |
| Number of pole pairs | 1 |
| Number of phases | 3 |
| Number of autoclave cycles | 1000 |
| Product | |
| Weight | 44 g |
