Details
NRND
Planetary Gearhead GP 52 C Ø52 mm, 4 - 30 Nm, Ceramic Version | Ceramic Version
Part number 223095
| Price scales | Quantity | Price per unit |
|---|---|---|
| Prices excluding VAT and shipping costs | 1-4 | CHF 447.90 |
| 5-19 | CHF 384.70 | |
| 20-49 | CHF 315.30 | |
| from 50 | On request |
NRND (Not Recommended for New Designs): These products continue to be available, but are not recommended for new projects. Our sales team will be happy to suggest alternatives.
Specifications
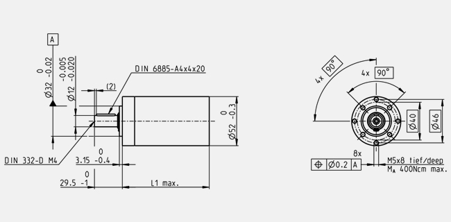
Technical illustrations
- Dimension drawing
Information: Drawings are not to scale.
| General information | |
| Gearhead type | GP |
| Outer diameter | 52 mm |
| Version | Ceramic version |
| Gearhead Data | |
| Reduction | 113 : 1 |
| Absolute reduction | 338/3 |
| Max. motor shaft diameter | 8 mm |
| Number of stages | 3 |
| Max. continuous torque | 30 Nm |
| Max. intermittent torque | 45 Nm |
| Direction of rotation, drive to output | = |
| Max. efficiency | 75 % |
| Average backlash no load | 1 ° |
| Mass inertia | 9.3 gcm² |
| Gearhead length (L1) | 78.5 mm |
| Max. transmittable power (continuous) | 170 W |
| Max. transmittable power (intermittent) | 250 W |
| Technical Data | |
| Bearing at output | ball bearing |
| Radial play | max. 0.06 mm, 12 mm from flange |
| Axial play | 0 - 0.3 mm |
| Max. radial load | 900 N, 12 mm from flange |
| Max. axial load (dynamic) | 200 N |
| Max. force for press fits | 500 N |
| Max. continuous input speed | 6000 rpm |
| Max. intermittent input speed | 6000 rpm |
| Recommended temperature range | -15...+80 °C |
| Extended temperature range | -40...+100 °C |
| Number of autoclave cycles | 0 |
| Product | |
| Weight | 770 g |
